天下彩(944CC)免费,新澳门2024年资料版本 ,2025全年免费资料大全开奖结果,2023新澳历史记录,港彩二四六开奖结果查询

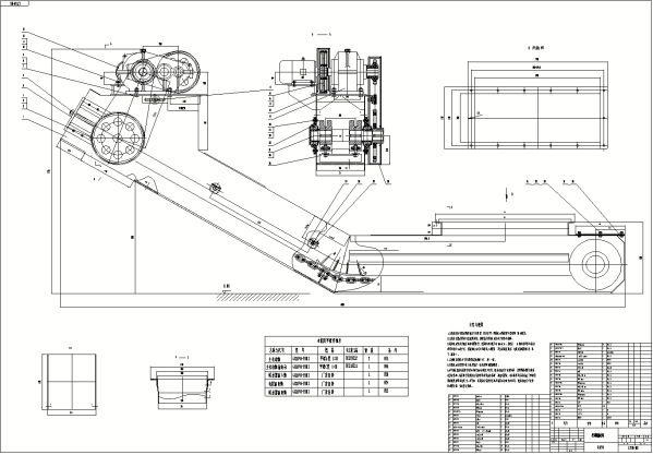
刮板输送机
奥创机械
2024-02-26 14:48:51
0
刮板输送机介绍:
刮板输送机是输送粉尘状、小颗粒及块状等散状物料的连续输送设备,可以水平、倾斜和垂直输送。
散料具有内摩擦力和侧压力等特性。
水平输送时,物料受到刮板链条在运动方向的推力,当料层间的内摩擦力大于物料与槽壁间的外摩擦力时,物料就随着刮板链条向前运动。
在料层高度与机槽宽度之比值满足一定的条件时,料流是稳定的。垂直输送时,主要依赖物料所具有的起拱特性。
刮板输送机可输送物料:碎煤、碎粉、碎炉潭、飞灰、烟灰、炭黑、磷矿粉、碳酸氢铵、尿素、氯化铵、苏打粉、硫铁矿潭、塑料单体、活性炭、固体农药、焦炭粉、石灰石粉、铬矿粉、白云石粉、铜精矿粉、氧化铝粉、氧化铁粉、石英砂,烧结返矿、水泥、粘土粉、陶土、黄砂、铸造旧砂、小麦、大豆玉米、菜籽、米、糖、淀粉、谷物类、谷物麦、木片、竹片、锯床等,MZ型埋刮板输送机推荐用于锅炉房上煤及输送谷物类(如小麦、玉米、大豆等)和轻物料类(如木片、锯床等)。
刮板输送机
刮板输送机图纸:
刮板输送机
刮板输送机类型:
刮板输送机
刮板输送机选型方式:
刮板输送机

相关内容

热门资讯

主站蜘蛛池模板: 20234694澳门正版资料| 澳门资料一澳门资料库,48k..com澳彩图库 | 香港最快开奖现场直播+结果2024 246天天天彩天好彩+资料246澳门 | 2023澳门赤兔版| 玩具总动员3| 惠泽社群正版免费网| 2020093期澳彩开奖结果| 管家婆一码一肖100正确| 2023年澳门正版资料大全更新 | 澳门最准一肖一码一码黄大仙| 小马宝莉大电影| 必看的科幻电影排行榜| 成人性生活的用品店| 1877澳门资料大全2023 年| 澳门选一肖一码期期准功能| 奥斯卡科幻电影排行榜| 澳门6合开奖结果 开奖记录| 海博体育是真是假| 恶灵骑士在线观看免费完整版高清 | 成人用品店24小时无人售货怎么做到的 | 个体户门头图片| 澳门正版49819金牛版总资料| 澳门42862co资料| 澳门118开奖免费资料| 2025澳彩资料免费长期公开| 113影视网喜剧在线| 澳彩191期开奖结果| 2020年中国电影票房排行榜| 澳门三肖三码最精准| 韩语日语喜剧迅雷| 免费追剧的软件不要广告| 澳门资料大全79456c0m| 全国物流货运信息| 2021年科幻电影排行榜| 2023澳门最快开奖记录| 新澳门彩正版资料大全公布| 2023澳门最精准一肖一码| 最新电视电影免费看网址| 新澳门开奖结果+开奖记录49图| 新澳门六开奖结果2023开奖记录表| 澳门最快免费资料内部|